
| Unit Price: | $ 8.6 |

STM32F334 R8T6
32-bit microcontroller chip-MCU
Description
The STM32F334x4/6/8 series integrates a high-performance Arm®Cortex®-M432-bit RISC core that can run at a frequency of up to 72 MHz, and embeds a floating-point unit (FPU) and high-speed embedded memory (maximum 64 KB). Flash memory, up to 12 KB of SRAM) and various enhanced I/O and peripherals connected to two APB buses.
STM32F334x4/6/8 microcontrollers provide two fast 12-bit ADCs (5 Msps), up to three ultra-fast comparators, an operational amplifier, three DAC channels, a low-power RTC, and a high-resolution timer It includes a general-purpose 32-bit timer, a timer dedicated to motor control and four general-purpose 16-bit timers. They also have standard and advanced communication interfaces: one I2C, one SPI, up to three USARTs and one CAN.
The STM32F334x4/6/8 series operates in a temperature range of –40 to +85°C and –40 to +105°C (2.0 to 3.6 V power supply). A comprehensive set of power saving modes can be used to design low-power applications.
The STM32F334x4/6/8 series offers devices in 32, 48 and 64-pin packages.
Depending on the selected device, different sets of peripherals will be included.


STM32F334x4/6/8 family device features and peripheral counts.

Power-supply scheme.

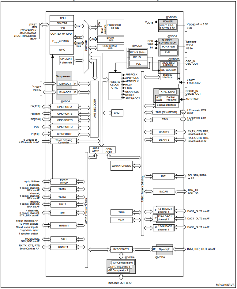
Figure 1. STM32F334 block diagram.

Best products and customer support ! Always available to help.
Jay is the best always help me
Jay Zeus have been great. Whatever I order came in sooner. Zeus has all the parts service to keep your miners hashing.
Zeus has been great for me. All the parts service. Fast shipping also. This is the my only
A loja zeus mining é uma loja de referência e confiança

Wonderful, it always helps me solve all my problems!
good and fast response

Payment method:
How to determine product prices and shipping costs?When you are ready to buy one or more products. You can consult the sales Manager to get a sample of the proforma invoice. The category, product price, and freight are included. |
||
How to complete the payment?We have the following payment methods. You can tell our sales Manager which payment you prefer and complete it. After the customer service checks and confirms the payment is completed. Provide the proforma invoice. And we will prepare to ship. |
||
Cryptocurrency Payment |
||
![]() |
Bitcoin - The payment method at the designated address is efficient and practical and can be used anywhere in the world. Wallet Address |
|
![]() |
USDT - The payment method at the designated address is efficient and practical and can be used anywhere in the world. Wallet Address |
|
![]() |
ETH - The payment method at the designated address is efficient and practical and can be used anywhere in the world. Wallet Address |
|
![]() |
LTC - The payment method at the designated address is efficient and practical and can be used anywhere in the world. Wallet Address |
|
![]() |
USDC - The payment method at the designated address is efficient and practical and can be used anywhere in the world. Wallet Address |
|
Bank Transfer |
||
![]() |
Wire transfer - USD - YuanJi Card Number |
|
![]() |
Wire transfer - USD, EUR, GBP, HKD, CNH, CAD, SGD, JPY, AUD, NZD Card Number |
|
![]() |
JP MORGAN CHASE BANK, N.A. Card Number |
|
![]() |
Wire transfer - USD - Zhou sicong Card Number |
|
![]() |
人民币支付 - CNY payment Card Number |
|
Other payment methods |
||
![]() |
||
|
Cooperation express: |
![]() |
Q: When will we ship after payment?
A: In order to ensure that the products we ship are in good condition. Issued approximately 1-2 days after receiving your payment.
Q: What if the product is damaged during transportation?
A: We will use a more robust package when shipping to avoid damage to the goods, and we can purchase transportation insurance in advance to reduce the loss of in the transport. although this problem is not common.
Q: What payment methods do we support?
A: We support bank transfer, wire transfer, BTC, third-party guarantee and Paypal.
Q: What should I do if there is a problem after receiving the products?
A: We have established good relationships with maintenance departments in many countries/regions in the world. For example, Venezuela, Iran, etc. If you have any questions within 3 days after receiving the goods, you can apply for after-sales service on the "My Order" page.
Q: Which express we support?
A: We will choose the cheapest and fastest transportation method for you. And we support DHL, UPS, TNT, Fedex, BRE, and also have express delivery services, such as Russia, the United States, Kuwait, etc.
