(S9k and S9se hash boards are roughly the same, and the maintenance methods are also the same)
This version contains the basic circuit schematic diagram and chip signal direction and voltage introduction
We are currently publishing in Chinese, the English version will be released soon
Basic overview:
Antminer S9K and S9se single hash board uses a total of 60 hash chips, the model is "BM1393", and the signal direction is sequentially transmitted from U1 to U60.
The S9k and S9se hash board has a total of 6 voltage domains, and each voltage domain contains 10 chips. The hash table is equipped with 2 clock crystals and 2 temperature sensor chips

1:IO data line interface
2:DC-DC circuit
3:EEPROM chip
4:Clamp circuit
5:Voltage domain signal level conversion IC
6:TMP45 temperature sensor chip 1
7:TMP45 temperature sensor chip 2

It still uses 5 test points for detection and maintenance
The five test points are: CLK / CO / RI / RST / BO
For a description of test points, see:
Fix: Description of Antminer Hashboard test points
In addition, a more detailed circuit schematic is provided:
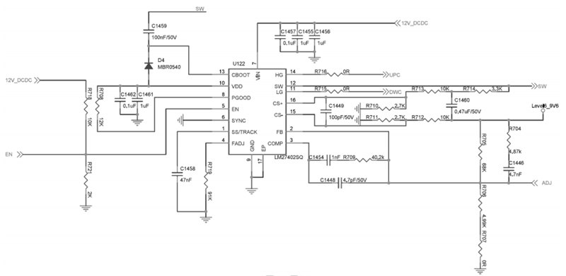
—— Power management circuit diagram ——

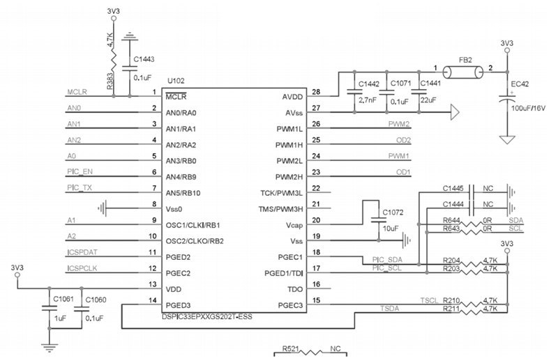
—— PIC U102 circuit diagram ——

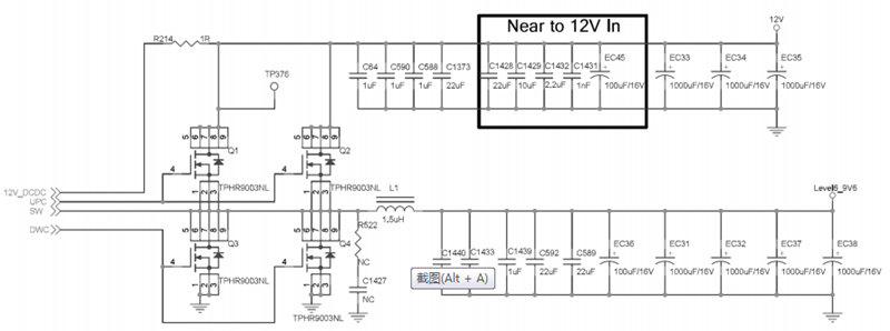
—— DC to DC circuit diagram ——

Antminer S9k and S9se hash board repair guide download address:
click to download: Antminer S9k Hash Board Repair Guide
Related maintenance tools:
Click to see more miner maintenance tools
Dear Customers,
Hello, May 1-5, 2026 (GMT+8) is China's May Day, and international logistics will be suspended. Our company will suspend shipments on the afternoon of May 1, 2026, and resume warehouse shipments on May 6 (GMT+8). We are deeply sorry for the inconvenience caused to you. Thank you for your trust and support.
Best wishes,
ZEUS MINING CO., LTD.