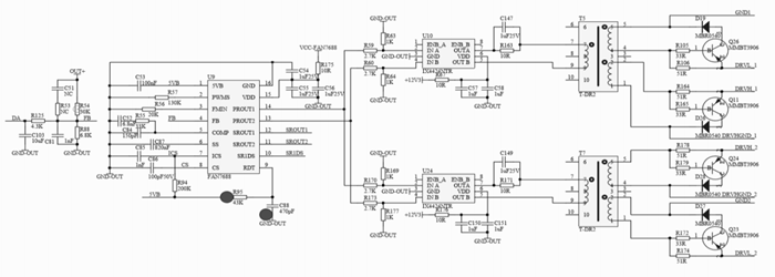
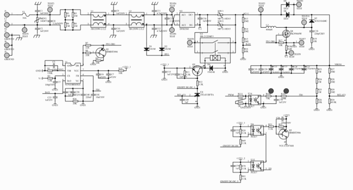
Antminer apw9 apw9+ repair guide
apw9 apw9+ is a high-power psu with 2 single-phase AC inputs and 2
DC outputs.

1: 14.5v-21v voltage adjustable output, maximum current 170A
2: 12v voltage fixed output, maximum current 12A

The circuit board layout is mainly divided into:
1A - The first AC input and EMI circuit
1B - PFC and MOS circuit
1C - 12V auxiliary circuit and VCC circuit
2A - 2nd AC input and EMI circuit
2B - PFC and MOS circuit
2C - 12V auxiliary circuit and VCC circuit
2D - 12V output port and PIC communication port

The vulnerable parts of PSU are: fuse, MOS, rectifier bridge
A more detailed circuit diagram is provided in the document for
reference


Click the link below to view detailed information:
Antminer apw9 apw9+ repair guide
Dear Customers,
Hello, May 1-5, 2026 (GMT+8) is China's May Day, and international logistics will be suspended. Our company will suspend shipments on the afternoon of April 30, 2026, and resume warehouse shipments on May 6 (GMT+8). We are deeply sorry for the inconvenience caused to you. Thank you for your trust and support.
Best wishes,
ZEUS MINING CO., LTD.